Product Introduction
Product Description
HICENDA The 3.4-inch circular TFT LCD module, model HG034XDZP02, integrates an 800×800 RGB resolution within a compact round form factor, utilizing a-Si transmissive TFT technology and an IPS viewing structure. Equipped with the ILI9881C driver IC and a 3-lane MIPI interface, the display supports full-color output with 16.7 million colors. Its integrated touch panel, slim mechanical profile, and stable operating temperature range make it a refined solution for applications requiring both visual clarity and structural elegance.
General Specification
| Parameter | Specification |
|---|---|
| Model No. | HG034XDZP02 |
| Display Size | 3.4 inches (circular) |
| Resolution | 800 (RGB) × 800 |
| Display Type | Transmissive TFT (a-Si) |
| Viewing Direction | IPS (Wide Viewing Angle) |
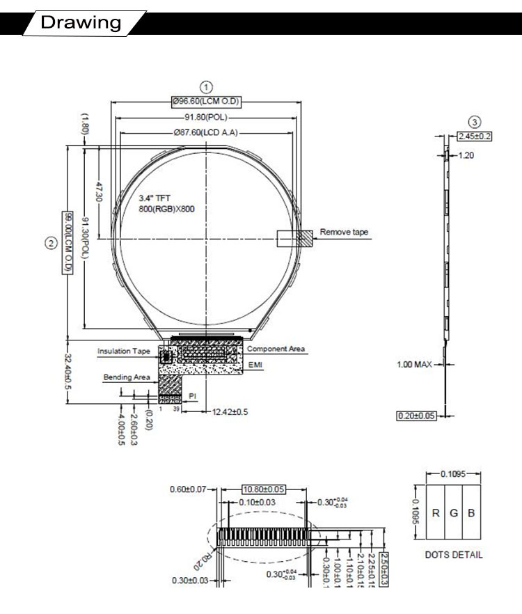
| Active Area | 87.6 × 87.6 mm |
| Outline Dimensions | 96.6 × 99.0 × 2.45 mm |
| Color Depth | 16.7 Million Colors |
| Pixel Configuration | RGB Vertical Stripe |
| Driver IC | ILI9881C |
| Interface | MIPI 3-Lane |
| Display Mode | Normally Black |
| Backlight | 8 White LEDs |
| Touch Panel | Integrated (With TSP) |
| Connector | 39 Pins |
| Operating Temperature | -20°C to +70°C |
| Storage Temperature |
-30°C to +80°C |
Structural Design and Display Geometry
Circular Active Area with Balanced Dimensions
The module features a true circular display configuration, with an active area measuring 87.6 × 87.6 mm. This geometry allows for symmetrical UI layouts, particularly suitable for applications such as smart home controls, wearable devices, and instrumentation panels where circular aesthetics enhance usability.
The overall outline dimension of 96.6 × 99.0 × 2.45 mm reflects a compact and low-profile design. Despite its slim thickness, the module maintains structural integrity and integration flexibility through a 39-pin connector interface.
Pixel Arrangement and Visual Consistency
The display adopts an RGB vertical stripe pixel configuration, ensuring accurate color rendering and uniform luminance distribution. With a resolution of 800×800, the module achieves a fine pixel density that supports detailed graphical interfaces and smooth iconography.
Optical Performance and Display Characteristics
IPS Technology with Wide Viewing Angles
By incorporating IPS (In-Plane Switching) technology, the module ensures consistent color and brightness across a wide range of viewing angles. This characteristic is particularly advantageous in multi-user environments or installations where the display may be viewed from varying positions.
Normally Black Mode and Color Depth
Operating in normally black mode, the display delivers enhanced contrast and deeper black levels, contributing to improved readability and visual depth. The 16.7 million color depth enables smooth gradient transitions and vivid image reproduction, aligning with modern interface design requirements.
Electrical Interface and Driver Integration
MIPI 3-Lane Interface for High-Speed Data Transmission
The module utilizes a MIPI 3-lane interface, offering efficient high-speed data transfer suitable for high-resolution displays. This interface reduces pin count while maintaining bandwidth, supporting responsive and fluid screen updates.
ILI9881C Driver IC Capabilities
The embedded ILI9881C driver IC provides robust control over display timing, gamma correction, and power management. Its compatibility with MIPI protocols ensures streamlined integration with contemporary processors and embedded platforms.
Backlight System and Touch Integration
White LED Backlight Configuration
The backlight system consists of 8 white LEDs, delivering uniform illumination across the circular panel. The transmissive TFT structure leverages this backlight to achieve stable brightness and consistent visual output.
Integrated Touch Panel (TSP)
The module includes a built-in touch screen panel, enabling direct user interaction. This integration simplifies system design by reducing the need for additional touch components, while maintaining precise input response.
Environmental Reliability
Engineered for practical deployment, the module operates within a temperature range of -20°C to +70°C, with storage conditions extending from -30°C to +80°C. These specifications ensure dependable performance across a variety of environmental conditions, from indoor consumer electronics to semi-industrial applications.
DRAWING

INTERFACE PIN FUNCTION

Application Perspectives
Adaptability in Modern Interface Design
The circular form factor introduces new possibilities in interface design, particularly for applications that benefit from radial layouts, such as smart thermostats, wearable dashboards, and automotive control interfaces. The high resolution ensures that even complex graphical elements remain sharp and legible.
Integration Efficiency
With its MIPI interface and integrated touch functionality, the module reduces system complexity while maintaining high performance. The combination of mature driver IC support and standardized connectivity allows for efficient development cycles and reliable long-term operation.
Conclusion
The 3.4-inch 800×800 circular TFT LCD module demonstrates a thoughtful integration of advanced display technology within a distinctive geometric format. Its balanced optical performance, responsive interface, and compact mechanical design make it a capable solution for next-generation display applications where both functionality and form are equally valued.
English
Español
Português
Pусский
Français
Deutsch
日本語
한국어
Italiano
عربى






Ashley Wu